

Roller Holder for Cylindrical Rollers - Big Drum
The stainless steel shaft to which cylindricall roller stones and wiper are attached
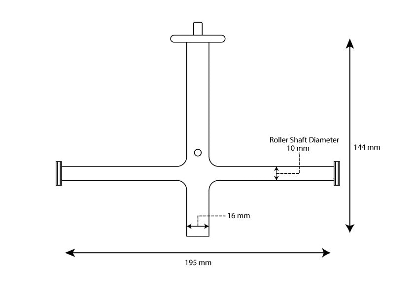
Note: Please make sure the measurements given in the image below matches the measurements of your existing part before you place the order. If the measurements match then order Type 1, if not matches then order Type 2. Do mail us if you need any help. CocoaTown is not responsible for the wrong parts ordered.
Under normal conditions the processing time is 1 week. If you need urgently, please contact us and we will expedite your order.
We ship to countries around the world that are permitted by the US government. To estimate duties & taxes click here.
create account to proceed with the purchase
Choose options


Roller Holder for Cylindrical Rollers - Big Drum
Sale price$132.00
